回路製作記:連動電源 その1
2006/11/ 5
|
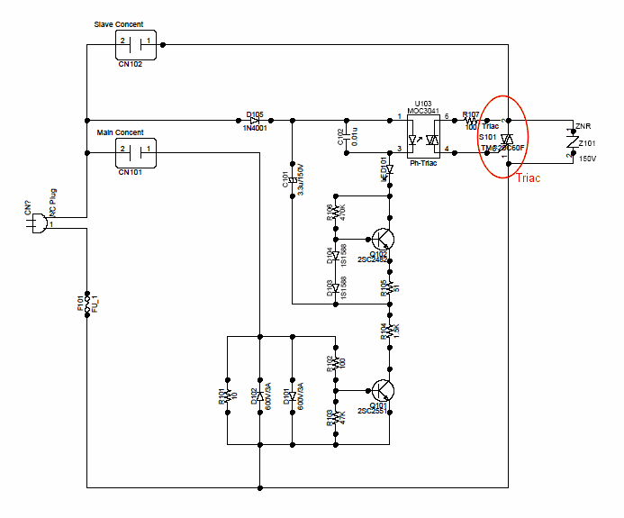
下の写真は私の部屋にあるコンポステレオです。独身時代から使い続けた愛用のステレオセットは転勤に伴った何回かの引っ越しを経てなくなってしまい、このマンションに引っ越してきたときに買いそろえたオンキョーのステレオセットですが、5.1CHステレオと言っているモノの、サラウンド用スピーカーは部屋の配置の関係で置けないので、ステレオスピーカー+スーパーウーファーだけですが、なんとこのステレオコンポは写真中央左側のウーファーアンプの電源が中央右側のメインアンプの電源と連動しません。 ![]() つまり、スーパーウーファーを使う場合、必ずこちらの電源スイッチもメインアンプと同時に ON/OFFしなくてはなりません。ONする方はまだいいのですが、必ずと言っていいくらい OFFは忘れてしまい、気がつくと音楽を聞いてもいないのにスーパーウーファーの上の辺りがほんのり暖かくなっています。メインアンプはスリープタイマーやリモコンで電源がOFFさせることも出来るのですが、その場合は完全にウーファーアンプだけ切り忘れます。 これでは良くない、と思って、メインアンプの電源をONしたのを検知して、ウーファーアンプの電源を自動的に入れるようなテーブルタップをあちこちで探しました。10年ほど前には、PCの電源に連動してディスプレイや外付けドライブの電源を自動で ON/OFFするテーブルタップが売られていました。私も使っていたんですが、電流オーバーか何かで壊れてしまってそのままになっていました。 今回探して見たところ PCのUSB電源で連動するモノはありましたが、この場合アンプにはUSB端子はないのでこれは使えません。 なければ作ってしまえ、と言うのが私の思考パターンです。いろいろ回路を考えましたが、常時電源を消費することもなくメインアンプの電源のインピーダンスを極力上げないで、しかも過大な電流にも耐えられるような・・・というような事を考え出すとなかなかいい案が浮かびませんでした。 結局、ベストではないものの、メインアンプの電流を抵抗とダイオードの並列回路に流してその両端に発生する電圧を検出して、フォトトライアックを制御するという方法に落ち着きました。回路は下の通りです。 ![]() 簡単に動作を説明すれば、CN101の Main Concentにメインアンプを接続します。 ここに電流が流れてもその値が 80mA以下の場合、R101の両端電圧は 800mV以下ですから電流のほとんどはこの抵抗を流れます(このメインアンプはリモコン対応や時計機能が内蔵されているため、電源OFF時でも数mAの電流を消費しており、その電流ではONしないような考慮が必要でした)。しかし 80mAを超えた電流は D101/D102 に流れると同時に、一部はQ101のベースにも流れ、Q101を ONさせます。 Q101が一旦 ONすると、D105を通ってC101が充電され、そこにチャージされた電荷でフォトMOSリレーU103がドライブされ、トライアックのS101がターンオンしCN102の Slave Concentにつながれたスーパーウーファーの電源(スイッチは入れっぱなし)が入ると言うことになります。C101は半波整流されているのですが、トライアックは双方向の導通をしなければならないので、50Hzの場合は15mSec以上フォトMOSリレーに定格値(5mA)の電流を供給し続ける必要があります。Q102はそのためフォトMOSリレーの電流を定電流化するために入れていますが定数を変更することで削除することも可能です。(C101の容量とR105の抵抗値を増やす必要があります。)LED101は電源がONしたことを表示するランプ、Z101はトライアックをリアクタンス負荷のサージから守るためのサージアブソーバです。 実は、この回路定数は最終的な値で、最初の設計時は少し違っていました。その顛末記は次回のお楽しみ。 トライアックなどの電子部品はほとんど全て秋葉原かRSコンポーネンツで手配が出来ます。 注意: このページに記載の回路は私が自分で実験・製作するために設計したもので、動作の保証や安全の責任を持つものではありません。特に AC電源には莫大なエネルギー供給の能力があり、それを利用する回路は十分な考慮をしないと感電死や火災の恐れがあります。この情報を利用した結果生ずる如何なる危害・損害に対しても私は責任を持ちません。 |
|
|


